在役舊管道的綜合防腐設計和治理
產品描述
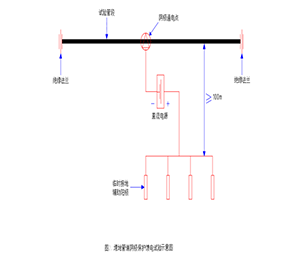
武漢遠西公司結合陰極保護專業理論知識并總結國內外大量的工程實踐經驗和成功案例,探索開創了在役舊管道系統綜合防腐設計和治理方法,針對在役城市舊燃氣管網、長輸油氣管道、大型石化電廠地下管網、大口徑污水管道及自來水管道面臨的防腐層老化破損、管道及周邊環境復雜、管體趨于腐蝕的條件,采取針對保護對象的腐蝕調查評估,獲取防腐層絕緣電阻值、腐蝕環境數據、陰極保護電流密度等設計參數,通過采用防腐層修復、外加電流+犧牲陽極陰極保護等綜合措施,力爭獲得技術性和經濟性最佳的保護效果







適宜對象:
在役城市舊燃氣管網、長輸油氣管道、大型石化電廠地下管網、大口徑污水管道及自來水管道
技術難點:
※管道建設運行長,防腐層老化破損絕緣性能差,管體產生腐蝕,所需陰極保護電流密度大;
※管道/管網敷設環境及路徑復雜,管道保護電流泄漏點多(凝水缸、穿越鋼套管、橋梁箱涵及混凝土鋼筋搭接),支管或設備的絕緣處理復雜繁多;
解決方案:
☆腐蝕調查評估,獲取防腐層絕緣電阻值、腐蝕環境數據、陰極保護電流密度等設計參數
☆推薦采用強制電流陰極保護為主犧牲陽極為輔的保護方法;
☆局部防腐層修復(條件適宜時);
☆分區段絕緣隔離并加強重點部位的綜合防護處理;
上一個
區域性的陰極保護技術
下一個
雜散電流干擾影響的檢測評估及緩解
武漢遠西防腐科技有限責任公司
武漢遠西防腐科技有限責任公司是以主要從事金屬腐蝕防護及陰極保護工程領域的技術研制開發、技術服務咨詢、工程設計、工程承包和相關產品銷售為一體的專業公司。
Copyright ? 武漢遠西防腐科技有限責任公司. All Rights Reserved. 鄂ICP備20006419號-1 網站建設:中企動力 武漢